|
|
|
|
|
|
|
|
|
|
Rohrheizkörper
Für Puffer- und Multifunktionsspeicher die nicht
über eine Muffe zur Einbringung einer
Elektroheizpatrone verfügen und in denen
auch nachträglich keine Muffe mehr eingebracht werden kann, bieten wir dennoch eine Möglichkeit, elektrische Energie
über einen Rohrkeizkörper in den Speicher einzutragen.

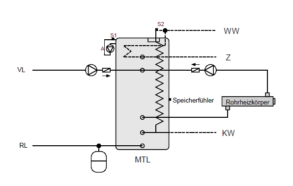
Der Rohrheizkörper ist extern in das Heizungssystem zu integrieren, siehe Musterhydraulik:

|
|
|
Benötigte Elektroheizpatronen können Sie von uns in den Größen 2,0kW, 3,0kW, 4,5kW, 6,0kW, 9,0kW bzw. 12,0kW beziehen.
|
|
|
Technische Daten
- Heizkörpermaterial Edelstahl 1.4404 – 3 Heizelemente
- Schraubkopf 1.4301 mit Gewinde G 1 1/2
- max. Betriebsdruck 10 bar
- Temperaturregler 30°C +/-5K bis 85°C +/-3K
- Temperaturbegrenzer 110°C -9K
- Anschluss: 3 ~ 400 V
|
|
|
|